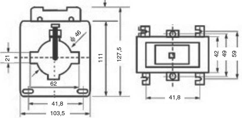
Áramváltó 400 A... 2000 A áramok mérésére, Is = 5 A, vagy 1A, Cl.: 0.2(s), 0.5(s), 1, 3
| Ip (A) | Is (A) | P (VA) | CL | Típus |
|---|---|---|---|---|
| 500 | 5 | 5 | 0.5 | TAR6E 500/5A 5VA cl: 0.5 |
| 600 | 5 | 5 | 0.5 | TAR6E 600/5A 5VA cl: 0.5 |
| 800 | 5 | 7 | 0.5 | TAR6E 800/5A 7VA cl: 0.5 |
| 1000 | 5 | 7 | 0.5 | TAR6E 1000/5A 7VA cl: 0.5 |
| 1200 | 5 | 7 | 0.5 | TAR6E 1200/5A 7VA cl: 0.5 |
| 1500 | 5 | 7 | 0.5 | TAR6E 1500/5A 7VA cl: 0.5 |
| 2000 | 5 | 10 | 0.5 | TAR6E 2000/5A 10VA cl: 0.5 |
| 400 | 5 | 7 | 1 | TAR6E 400/5A 7VA cl: 1 |
| 500 | 5 | 7 | 1 | TAR6E 500/5A 7VA cl: 1 |
| 600 | 5 | 7 | 1 | TAR6E 600/5A 7VA cl: 1 |
| 800 | 5 | 10 | 1 | TAR6E 800/5A 10VA cl: 1 |
| 1000 | 5 | 10 | 1 | TAR6E 1000/5A 10VA cl: 1 |
| 1200 | 5 | 10 | 1 | TAR6E 1200/5A 10VA cl: 1 |
| 1500 | 5 | 10 | 1 | TAR6E 1500/5A 10VA cl: 1 |
| 2000 | 5 | 13 | 1 | TAR6E 2000/5A 13VA cl: 1 |
| 400 | 5 | 10 | 3 | TAR6E 400/5A 10VA cl: 3 |
| 500 | 5 | 10 | 3 | TAR6E 500/5A 10VA cl: 3 |
| 600 | 5 | 10 | 3 | TAR6E 600/5A 10VA cl: 3 |
| 800 | 5 | 15 | 3 | TAR6E 800/5A 15VA cl: 3 |
| 1000 | 5 | 15 | 3 | TAR6E 1000/5A 15VA cl: 3 |
| 1200 | 5 | 15 | 3 | TAR6E 1200/5A 15VA cl: 3 |
| 1500 | 5 | 15 | 3 | TAR6E 1500/5A 15VA cl: 3 |
| 2000 | 5 | 16 | 3 | TAR6E 2000/5A 16VA cl: 3 |
| 400 | 1 | 5 | 0.5 | TAR6 1E 400/1A 5VA cl: 0.5 |
| 500 | 1 | 5 | 0.5 | TAR6 1E 500/1A 5VA cl: 0.5 |
| 600 | 1 | 5 | 0.5 | TAR6 1E 600/1A 5VA cl: 0.5 |
| 800 | 1 | 7 | 0.5 | TAR6 1E 800/1A 7VA cl: 0.5 |
| 1000 | 1 | 7 | 0.5 | TAR6 1E 1000/1A 7VA cl: 0.5 |
| 1200 | 1 | 7 | 0.5 | TAR6 1E 1200/1A 7VA cl: 0.5 |
| 1500 | 1 | 7 | 0.5 | TAR6 1E 1500/1A 7VA cl: 0.5 |
| 2000 | 1 | 10 | 0.5 | TAR6t 1E 2000/1A 10VA cl: 0.5 |
| 400 | 1 | 7 | 1 | TAR6 1E 400/1A 7VA cl: 1 |
| 500 | 1 | 7 | 1 | TAR6 1E 500/1A 7VA cl: 1 |
| 600 | 1 | 7 | 1 | TAR6 1E 600/1A 7VA cl: 1 |
| 800 | 1 | 10 | 1 | TAR6 1E 800/1A 10VA cl: 1 |
| 1000 | 1 | 10 | 1 | TAR6 1E 1000/1A 10VA cl: 1 |
| 1200 | 1 | 10 | 1 | TAR6 1E 1200/1A 10VA cl: 1 |
| 1500 | 1 | 10 | 1 | TAR6 1E 1500/1A 10VA cl: 1 |
| 2000 | 1 | 13 | 1 | TAR6t 1E 2000/1A 13VA cl: 1 |
| 400 | 1 | 10 | 3 | TAR6 1E 400/1A 10VA cl: 3 |
| 500 | 1 | 10 | 3 | TAR6 1E 500/1A 10VA cl: 3 |
| 600 | 1 | 10 | 3 | TAR6 1E 600/1A 10VA cl: 3 |
| 800 | 1 | 15 | 3 | TAR6 1E 800/1A 15VA cl: 3 |
| 1000 | 1 | 15 | 3 | TAR6 1E 1000/1A 15VA cl: 3 |
| 1200 | 1 | 15 | 3 | TAR6 1E 1200/1A 15VA cl: 3 |
| 1500 | 1 | 15 | 3 | TAR6 1E 1500/1A 15VA cl: 3 |
| 2000 | 1 | 16 | 3 | TAR6t 1E 2000/1A 16VA cl: 3 |
| 400 | 5 | 5 | 0.5s | TAR6E 400/5A 5VA cl:0.5s |
| 500 | 5 | 5 | 0.5s | TAR6E 500/5A 5VA cl:0.5s |
| 600 | 5 | 5 | 0.5s | TAR6E 600/5A 5VA cl:0.5s |
| 800 | 5 | 5 | 0.5s | TAR6E 800/5A 5VA cl:0.5s |
| 1000 | 5 | 5 | 0.5s | TAR6E 1000/5A 5VA cl:0.5s |
| 1200 | 5 | 5 | 0.5s | TAR6E 1200/5A 5VA cl:0.5s |
| 1500 | 5 | 5 | 0.5s | TAR6E 1500/5A 5VA cl:0.5s |
| 2000 | 5 | 5 | 0.5s | TAR6E 2000/5A 5VA cl:0.5s |
| 400 | 5 | 5 | 0.2 | TAR6E 400/5A 5VA cl:0.2 |
| 500 | 5 | 5 | 0.2 | TAR6E 500/5A 5VA cl:0.2 |
| 600 | 5 | 5 | 0.2 | TAR6E 600/5A 5VA cl:0.2 |
| 800 | 5 | 5 | 0.2 | TAR6E 800/5A 5VA cl:0.2 |
| 1000 | 5 | 5 | 0.2 | TAR6E 1000/5A 5VA cl:0.2 |
| 1200 | 5 | 5 | 0.2 | TAR6E 1200/5A 5VA cl:0.2 |
| 1500 | 5 | 5 | 0.2 | TAR6E 1500/5A 5VA cl:0.2 |
| 2000 | 5 | 5 | 0.2 | TAR6E 2000/5A 5VA cl:0.2 |
| 400 | 5 | 5 | 0.2s | TAR6E 400/5A 5VA cl:0.2s |
| 500 | 5 | 5 | 0.2s | TAR6E 500/5A 5VA cl:0.2s |
| 600 | 5 | 5 | 0.2s | TAR6E 600/5A 5VA cl:0.2s |
| 800 | 5 | 5 | 0.2s | TAR6E 800/5A 5VA cl:0.2s |
| 1000 | 5 | 5 | 0.2s | TAR6E 1000/5A 5VA cl:0.2s |
| 1200 | 5 | 5 | 0.2s | TAR6E 1200/5A 5VA cl:0.2s |
| 1500 | 5 | 5 | 0.2s | TAR6E 1500/5A 5VA cl:0.2s |
| 2000 | 5 | 5 | 0.2s | TAR6E 2000/5A 5VA cl:0.2s |
| 400 | 1 | 5 | 0.5s | TAR6E 1 400/5A 5VA cl:0.5s |
| 500 | 1 | 5 | 0.5s | TAR6E 1 500/5A 5VA cl:0.5s |
| 600 | 1 | 5 | 0.5s | TAR6E 1 600/5A 5VA cl:0.5s |
| 800 | 1 | 5 | 0.5s | TAR6E 1 800/5A 5VA cl:0.5s |
| 1000 | 1 | 5 | 0.5s | TAR6E 1 1000/5A 5VA cl:0.5s |
| 1200 | 1 | 5 | 0.5s | TAR6E 1 1200/5A 5VA cl:0.5s |
| 1500 | 1 | 5 | 0.5s | TAR6E 1 1500/5A 5VA cl:0.5s |
| 2000 | 1 | 5 | 0.5s | TAR6E 1 2000/5A 5VA cl:0.5s |
| 400 | 1 | 5 | 0.2 | TAR6E 1 400/5A 5VA cl:0.2 |
| 500 | 1 | 5 | 0.2 | TAR6E 1 500/5A 5VA cl:0.2 |
| 600 | 1 | 5 | 0.2 | TAR6E 1 600/5A 5VA cl:0.2 |
| 800 | 1 | 5 | 0.2 | TAR6E 1 800/5A 5VA cl:0.2 |
| 1000 | 1 | 5 | 0.2 | TAR6E 1 1000/5A 5VA cl:0.2 |
| 1200 | 1 | 5 | 0.2 | TAR6E 1 1200/5A 5VA cl:0.2 |
| 1500 | 1 | 5 | 0.2 | TAR6E 1 1500/5A 5VA cl:0.2 |
| 2000 | 1 | 5 | 0.2 | TAR6E 1 2000/5A 5VA cl:0.2 |
| 400 | 1 | 5 | 0.2s | TAR6E 1 400/5A 5VA cl:0.2s |
| 500 | 1 | 5 | 0.2s | TAR6E 1 500/5A 5VA cl:0.2s |
| 600 | 1 | 5 | 0.2s | TAR6E 1 600/5A 5VA cl:0.2s |
| 800 | 1 | 5 | 0.2s | TAR6E 1 800/5A 5VA cl:0.2s |
| 1000 | 1 | 5 | 0.2s | TAR6E 1 1000/5A 5VA cl:0.2s |
| 1200 | 1 | 5 | 0.2s | TAR6E 1 1200/5A 5VA cl:0.2s |
| 1500 | 1 | 5 | 0.2s | TAR6E 1 1500/5A 5VA cl:0.2s |
| 2000 | 1 | 5 | 0.2s | TAR6E 1 2000/5A 5VA cl:0.2s |